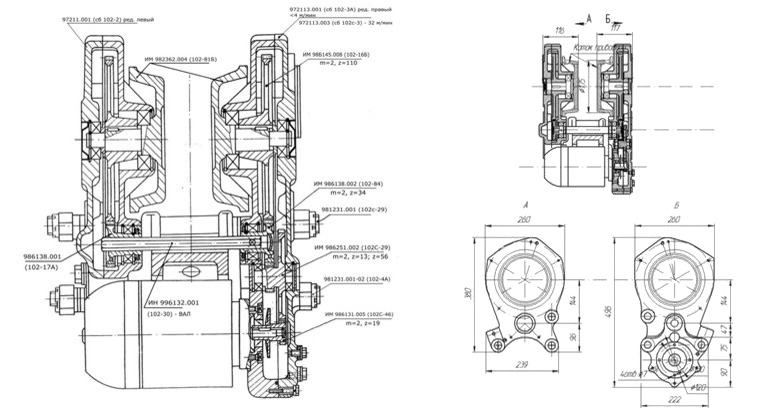
Телега шарнирная приводная ТШП-25
Приводная шарнирная тележка ТШП-25 входит в состав механизма передвижения электрических талей и используется для передвижения мостовых подвесных кран-балок.
Аналог редуктора РВЦ-320.
Тележка предназначена для талей грузоподъемностью 3,2 т и мостовых подвесных кранов грузоподъемностью от 3 до 10 т.
ТШП-25 используют в электроталях:
- ТЭ 320, 2ТЭ 320,
- 2ТЭ 6300, 2ТЭ 10000, 2ТЭ 12500,
- ТЭС 5000, ТЭС 6300, ТЭС 10000.
Дополнительно вы можете приобрести





