Пружина 106-94
Пружина 106-94 (998716.001) предназначена для редуктора подъема сб.106 тали ТЭ-320.
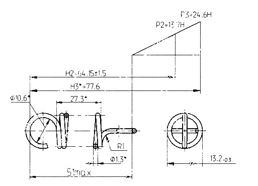
Деталь изготовлена из проволоки II — 1,3 по ГОСТ 9389-85. Она необходима для аккумулирования механической энергии, амортизации ударов и толчков, виброизоляции рычага колодочного тормоза.
Пружина имеет 20 витков с произвольным направлением навивки. Длина в развернутом виде составляет 820 мм.
Пружинная проволока из углеродистой стали обладает хорошей упругостью. Высокая прочность материала обеспечивает длительный срок службы пружины при любых внешних условиях.
Дополнительно вы можете приобрести





