Канатоукладчик 204-2, 204-4, 204-5
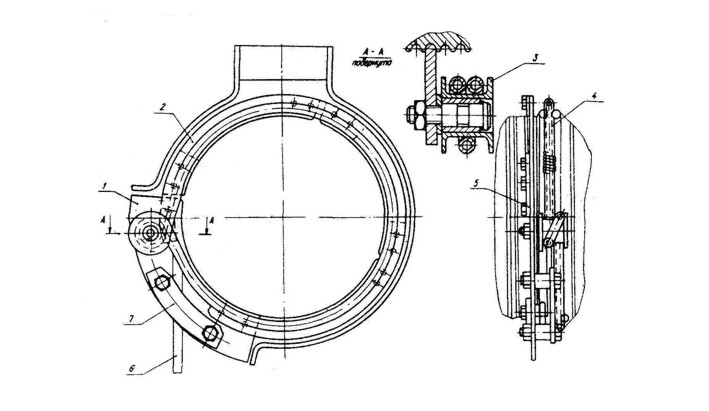
Канатоукладчик представляет собой кольцевое устройство, охватывающее барабан, собранное из четырех секторов 2 и 1, скрепленных между собой специальными планками 5. Внутренняя поверхность секторов закруглена и входит в винтовую канавку барабана. Сектор 1 установлен между отбортовками сварного корпуса, что исключает вращение кольцевого устройства при работе. На секторе 1 смонтированы направляющая планка 7 и ролик 3. Вокруг барабана и ролика натянута специальная бесконечная пружина 4. Грузовой канат 6 проходит между сектором и направляющей под пружину, которая прижимает его к канавке барабана. При работе механизма передвижения канатоукладчик перемещается по барабану, укладывая канат в канавку или освобождая его.
Чертеж 1 - канатоукладчик серии ТЭС.
Чертеж 2 - канатоукладчик серии Т.





